امروز :
۱۴۰۴ بيست و هشتم بهمن
-
بخش های سایت
صفحه اصلی
اخبار تخصصی برق و کنترل
دانلود فیلم و مطالب آموزشی
درباره ما
تماس با ما
پربازدیدترین پروژه ها
پروژه چراغ راهنمايي با PLC
پروژه آسانسور چهارطبقه
پروژه کارشناسي کنترل سطح مخزن ...
پروژه هاي کاربردي PLC PROJECT...
پروژه ساخت یک سنسور تشخیص رنگ
ستاره مثلث بصورت اتوماتيک
پروژه آسانسور 2 طبقه
آموزش مدارات فرمان چراغ راهنم...
پروژه برنامه نویسی plc s7 ...
پروژه هاي کاربردي PLC S7 MAD...
آرشیو قبلی
خرداد 1395
خرداد 1394
آبان 1393
شهریور 1393
خرداد 1393
اردیبهشت 1393
بهمن 1393
دی 1393
آذر 1392
آبان 1392
مهر 1392
شهریور 1392
اردیبهشت 1392
اسفند 1392
دی 1392
فروردین 1392
آذر 1391
مهر 1391
شهریور 1391
مرداد 1391
تیر 1391
خرداد 1391
اردیبهشت 1391
اسفند 1391
بهمن 1391
دی 1391
فروردین 1391
آذر 1390
آبان 1390
مهر 1390
شهریور 1390
اسفند 1390
بهمن 1390
دی 1390
گروه های پروژه ها
پروژه هاي دانشجويي
اجراي پروژه خطوط توليد
پروژه کنترل وسايل خانگي از طريق خط تلفن
۱۳۹۱/۴/۲۰
ارسال به :
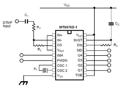
پروژه کنترل وسايل خانگي از طريق خط تلفن
پروژه اي کاربردي به همراه سورس برنامه و
PDF
توضيحات فارسي آن
متاسفانه کاربر محترم ارسال کننده فرم عضويت را با کلمات نامفهوم پر کرده اند، با تشکر از ايشان بابت ارسال اين مطلب
ارسال کننده : ......
تعداد بازدید : 4084
ضمیمه ها
برای دانلود فایل ضمیمه باید عضو سایت باشید و
بایستی مطلبی ارسال کنید
, برای عضویت
اینجا
را کلیک کنید
نظرات ارسال شده
[ ارسال نظر ]
۱۳۹۱/۵/۴
- 08:42 ب.ظ
دستتون درد نکنه
ارسال شده توسط ایرج یوسفی
۱۳۹۱/۱۱/۲۴
- 03:51 ب.ظ
بسیار خوب است
ارسال شده توسط reza
وب
ایمیل
۱۳۹۱/۱۲/۳
- 05:25 ب.ظ
مرسی
ارسال شده توسط امید
۱۳۹۲/۶/۲۰
- 07:41 ب.ظ
بسیار خوب و عالی
ارسال شده توسط davod
وب
ایمیل
ارسال نظر
نام شما
*
ایمیل
ایمیل درست وارد نشده است
وب سایت
آدرس وب سایت درست وارد نشده است
عدم نمایش اطلاعات برای کاربران
شرح نظر
*
پس از وارد کردن کد امنیتی دکمه ارسال را بزنید ( دو کلمه را با یک فاصله تایپ کنید )
آخرین پروژه ها
۱۳۹۵/۳/۲۸
کتاب و خود آموزفارسی تصویری, گام به گام آموزش PLC سری جدید زیمنس معروف به سری S7 1200,1500 ( Totally Integrated Automation )
مشاهده مطلب ...
۱۳۹۵/۳/۲۸
کتاب و خود آموزفارسی تصویری, گام به گام آموزش PLC سری جدید زیمنس معروف به سری S7 1200,1500 ( Totally Integrated Automation )
مشاهده مطلب ...
۱۳۹۵/۳/۲۸
کتاب و خود آموزفارسی تصویری, گام به گام آموزش PLC سری جدید زیمنس معروف به سری S7 1200,1500 ( Totally Integrated Automation )
مشاهده مطلب ...
۱۳۹۵/۳/۲۸
کتاب و خود آموزفارسی تصویری, گام به گام آموزش PLC سری جدید زیمنس معروف به سری S7 1200,1500 ( Totally Integrated Automation )
مشاهده مطلب ...
۱۳۹۵/۳/۲۸
کتاب و خود آموزفارسی تصویری, گام به گام آموزش PLC سری جدید زیمنس معروف به سری S7 1200,1500 ( Totally Integrated Automation )
مشاهده مطلب ...
۱۳۹۵/۳/۲۲
کتاب و خود آموزفارسی تصویری, گام به گام آموزش PLC سری جدید زیمنس معروف به سری S7 1200,1500 ( Totally Integrated Automation ) مطابق با استاندارد آموزشی سازمان آموزش فنی و حرفه ای
مشاهده مطلب ...
۱۳۹۵/۳/۲۲
کتاب و خود آموزفارسی تصویری, گام به گام آموزش PLC سری جدید زیمنس معروف به سری S7 1200,1500 ( Totally Integrated Automation ) مطابق با استاندارد آموزشی سازمان آموزش فنی و حرفه ای
مشاهده مطلب ...
۱۳۹۵/۳/۲۲
کتاب و خود آموزفارسی تصویری, گام به گام آموزش PLC سری جدید زیمنس معروف به سری S7 1200,1500 ( Totally Integrated Automation ) مطابق با استاندارد آموزشی سازمان آموزش فنی و حرفه ای
مشاهده مطلب ...
۱۳۹۵/۳/۲۲
کتاب و خود آموزفارسی تصویری, گام به گام آموزش PLC سری جدید زیمنس معروف به سری S7 1200,1500 ( Totally Integrated Automation ) مطابق با استاندارد آموزشی سازمان آموزش فنی و حرفه ای
مشاهده مطلب ...
۱۳۹۴/۳/۱۹
برنامه نویسی تابع رمپ Ramp در PLC S7 زیمنس به همراه اجرای پروژه و برنامه PLC
مشاهده مطلب ...
۱۳۹۳/۱۱/۱۲
فیلم آموزشی و خود آموز مانیتورینگ صنعتی با Wincc Flexible SP3
مشاهده مطلب ...
۱۳۹۳/۱۰/۲۲
فیلم آموزشی و خود آموز مانیتورینگ صنعتی
مشاهده مطلب ...
۱۳۹۳/۱۰/۷
آموزش مدارات فرمان چراغ راهنمایی و رانندگی
مشاهده مطلب ...
۱۳۹۳/۱۰/۶
برنامه نویسی آنالوگ به همراه تنظیمات سخت افزاری PLC
مشاهده مطلب ...
۱۳۹۳/۱۰/۵
آموزش مدارات فرمان و اجرای آن توسط PLC
مشاهده مطلب ...
۱۳۹۳/۱۰/۵
فیلم آموزشی و خود آموز مانیتورینگ صنعتی
مشاهده مطلب ...
۱۳۹۳/۸/۱۳
کنترل پمپ تزریق دارو توسط PID دیجیتال از طریق کامپیوتر
مشاهده مطلب ...
۱۳۹۳/۸/۱۲
تنظیمات Step7 Basic V11,V12,V13 ( نرم افزار TIA ) آموزش تصویری شبکه Ethernet بین PLC S7-1200 با LOGO V-7 با انجام یک پروژه کاربردی
مشاهده مطلب ...
۱۳۹۳/۸/۱۲
آموزش اتصال HMIبه0BA7 LOGO از طریق برنامه WinCC flexible آموزش تصویری ارتباط LOGO و HMI
مشاهده مطلب ...
۱۳۹۳/۶/۱۵
خود را بیازمائیدو امتیاز دانلود کسب نمائید:
مشاهده مطلب ...